Home
/
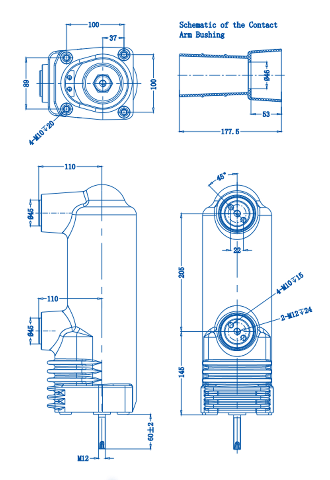
205 Embedded Pole - 205mm phase to phase
205 Embedded Pole - 205mm phase to phase
Quantity
-
DetailRated Voltage :12kVRated Current :630A、1250A、1600A
Rated Frequency :50Hz
Rated Short - circuit Breaking Current :25kA、31.5kARated Short - circuit Breaking Current Operation Times :30 timesRated Short - circuit Making Current :63kA、80kA
Rated Peak Withstand Current :63kA、80kARated Short - time Withstand Current (4s) :31.5kA
Rated Breaking Current for Single Capacitor Bank :630ARated Breaking Current for Back-to-Back Capacitor Banks :400AShort - time (1min) Power Frequency Withstand Voltage :48kVLightning Impulse Withstand Voltage (Peak Value) :85kVLoop Resistance at Rated Contact Pressure :≤25~30μΩMechanical Endurance :10,000 operationsContact Opening Force :110±60NContact Reaction Force at Rated Opening Distance :180±50NAllowable Contact Wear Thickness :3mmStorage Period :20 years
Partial Discharge Quantity :≤5pCRated Operating Sequence :O-0.3s-CO-180s-CO
Mechanical Parameters to be Met by the Matched Vacuum Circuit Breaker
Contact Opening Distance :9±1mmRated Over - travel :3.5±0.5mmAverage Opening Speed :1.1±0.2m/sAverage Closing Speed :0.8±0.2m/sRated Contact Pressure :2500±200N、3200±200NContact Closing Bounce Time :<2msContact Asynchronism :<1msOpening Contact Rebound Amplitude :<2mm
-
Customer ReviewsNo comments