Home / 310 Embedded Pole - 310mm phase to phase

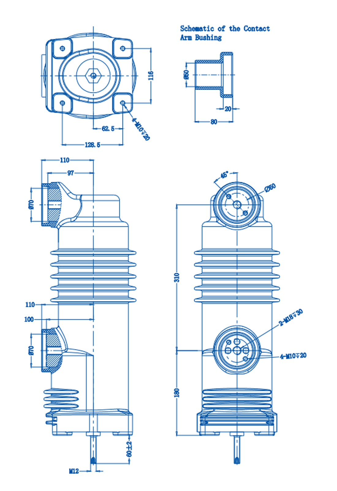
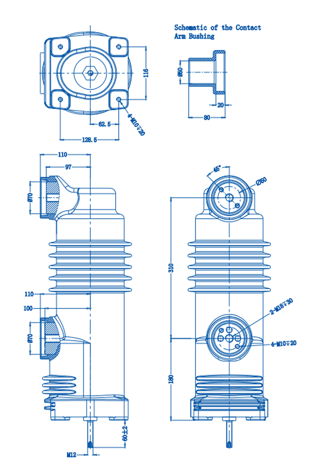
310 Embedded Pole - 310mm phase to phase

Quantity
ADD TO CART
BUY IT NOW
  • Detail
    Rated Voltage :12kV

    Rated Current :630A/1250A/1600A

    Rated Frequency :50Hz
     
    Rated Short - circuit Breaking Current :40kA/31.5kA

    Rated Short - circuit Breaking Current Operation Times :30 times

    Rated Short - circuit Making Current :80kA/100kA
      
    Rated Peak Withstand Current :80kA/100kA

    Rated Short - time Withstand Current (4s) :40kA/31.5kA

    Rated Breaking Current for Single Capacitor Bank :630A

    Rated Breaking Current for Back-to-Back Capacitor Banks :400A

    Short - time (1min) Power Frequency Withstand Voltage :48kV

    Lightning Impulse Withstand Voltage (Peak Value) :85kV

    Loop Resistance at Rated Contact Pressure :≤25~30μΩ

    Mechanical Endurance :10,000 operations

    Contact Opening Force :110±60N

    Contact Reaction Force at Rated Opening Distance :180±50N

    Allowable Contact Wear Thickness :3mm

    Storage Period :20 years

    Partial Discharge Quantity :≤5pC

    Rated Operating Sequence :O-0.3s-CO-180s-CO


    Mechanical Parameters to be Met by the Matched Vacuum Circuit Breaker

    Contact Opening Distance :9±1mm

    Rated Over - travel :3.5±0.5mm

    Average Opening Speed :1.1±0.2m/s

    Average Closing Speed :0.8±0.2m/s

    Rated Contact Pressure :3200±200N/4300±200N

    Contact Closing Bounce Time :<2ms

    Contact Asynchronism :<1ms

    Opening Contact Rebound Amplitude :<2mm







  • Customer Reviews
    No comments